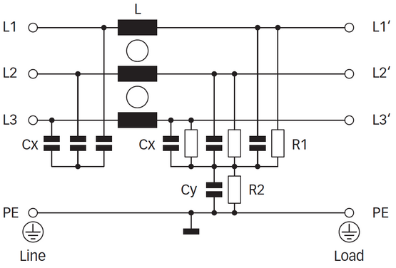
EMC/RFI Filter for Installations with Residual Current Device (RCD)
- Full functionality with RCDs according to IEC 61008 and new VDE 0664-110*
- Compatible with 30 mA RCDs up to 30 m motor cable for electric shock protection according to IEC 61008
- Compatible with 300 mA RCDs up to 100 m motor cable for fire protection according to IEC 60364-4-42 (VDE 0100-482)
Features and Benefits
Innovative low-leakage current filter with same smallest dimensions as FN 3258
Typical Applications
Three-phase variable speed drives (VSD), servo drives, and inverters
Technical Specifications
Maximum continuous operating voltage
3x520/300 VAC
Nominal operating voltage
480 VAC
Rated currents
7 to 180 A @ 50°C
Overload capability
4x rated current at switch on,
1.5x rated current for 1 minute, once per hour
Operating frequency
DC to 60 Hz
High potential test voltage
P –> E 2750 VDC for 2 sec
P –> P 2250 VDC for 2 sec
Temperature range (operation and storage)
-25°C to +100°C (25/100/21)
Protection category
IP 20
Flammability corresponding to
UL 94 V-0
Design corresponding to
UL 1283, CSA 22.2 No. 8 1986, IEC/EN 60939
MTBF (Mil-HB-217F)
>300,000 h @ 50°C/480 V
* If supply voltage is contaminated with harmonics according to IEC 61000-2-4, class 2, where odd-numbered multiplies of three are limited to 30%.
** Filter types 7 A up to 42 A: C1, 30 m, 30 mA; 55 A: C2, 30 m, 30 mA; 75 A up to 180 A: C2, 100 m, 300 mA



