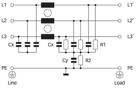
Hochleistungs-EMV-Filter für Antriebe
- Hochleistungsfilter für extrem störende Anwendungen
- Signifikante Verbesserung der Zuverlässigkeit und Störfestigkeit von Installationen
- Ermöglicht die Einhaltung der Grenzwerte der Klasse B auch bei sehr langen Kabeln
Articles
| Article | Rated Current @ambient | Leakage current IEC60939 | Input/Output connections (Nm) | Distribution stock | Compare | Read More | |
|---|---|---|---|---|---|---|---|
| Input terminal | |||||||
![]() | FN3120H-25-33 | 25 | 10.5 | ||||
![]() | FN3120H-50-53 | 50 | 10.5 | Terminal block | |||
![]() | FN3120H-80-35 | 80 | 10.5 | ||||
![]() | FN3120H-110-35 | 110 | 10.5 | ||||
![]() | FN3120H-150-40 | 150 | 10.5 | ||||
![]() | FN3120H-230-40 | 230 | 10.5 |
Funktionen und Vorteile
Typische Anwendungen
Hauptsächlich Industrieausrüstungen, Maschinen und Werkzeugmaschinen wie Druckmaschinen, Verpackungsmaschinen, Extruder, Holzbearbeitungsmaschinen, Fräs- und Bohrmaschinen, Laserschneidmaschinen, Schweißmaschinen, Robotik, Förderbänder, Montagelinien, Pumpen, Ölförderung, chemische Industrie und Bergbau usw. Die Filter sind ideal für die meisten Motorantriebsanwendungen und insbesondere für regenerative Antriebe mit geeigneter Netzdrossel oder LCL-Filter.
>Technische Spezifikationen
Maximale Dauerbetriebsspannung
3x520/300 VAC
Nennbetriebsspannung
480 VAC +10% possible
Nennströme
25 to 230 A @ 50°C
Überlastfähigkeit
4x rated current at switch on,
1.5x rated current for 1 minute, once per hour
Arbeitsfrequenz
DC to 60 Hz
HV Prüfspannung
P –> E 2750 VDC for 2 sec
P –> P 2250 VDC for 2 sec
Temperaturbereich (Betrieb und Lagerung)
-25°C to +100°C (25/100/21)
Schutzart
IP 20
Entflammbarkeit entsprechend
UL 94 V-0
Design entsprechend
UL 1283, CSA 22.2 No. 8 1986, IEC/EN 60939
MTBF (Mil-HB-217F)
>300,000 h @ 50°C/480 V




